ПСЦ 1

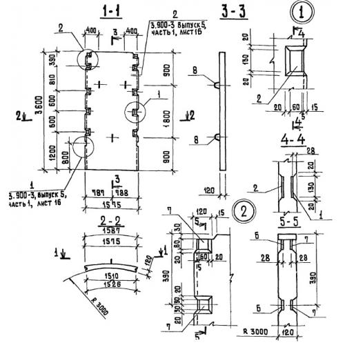
Чертеж изделия:
Характеристики изделия:
ПараметрЗначение
длина1575 мм
ширина120 мм
высота3600 мм
вес1700 кг
серияТП 902-2-356

ПСЦ 1 Панели стеновые по проекту ТП 902-2-356.