ПСТ 6.15.3.5

Чертеж изделия:
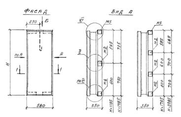
Характеристики изделия:
ПараметрЗначение
длина580 мм
ширина350 мм
высота1485 мм
масса270 кг
нормативный документШифр М25.13/98

ПСТ 6.15.3.5 Панели стеновые трёхслойные по Шифру М25.13/98.