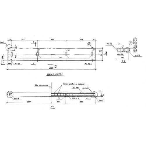
ПОК 24

Чертеж изделия:
Характеристики изделия:
ПараметрЗначение
длина5980 мм
ширина785 мм
высота240 мм
вес1000 кг
серияСТ 02-18

ПОК 24 Панели керамзитобетонные однослойные по серии СТ 02-18.