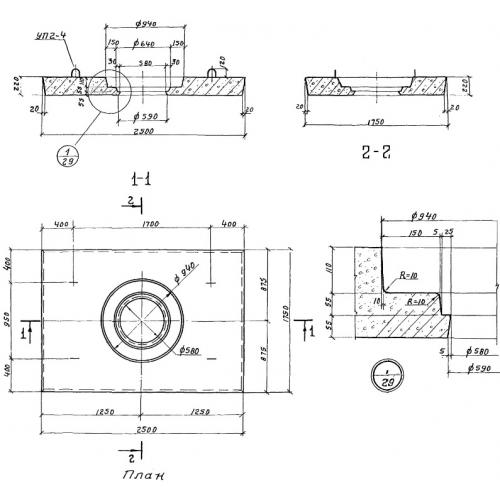
КЦО 3 Плиты дорожные с нишей для люка
Характеристики изделия:
| Параметр | Значение |
|---|---|
| длина | 2500 мм |
| ширина | 1750 мм |
| высота | 220 мм |
| масса | 2120 кг |
| нормативный документ | Серия 3.900.-3 |
Цена:
Рассчитать стоимостьКЦО 3 Плиты дорожные с нишей для люка по Серии 3.900.-3.
