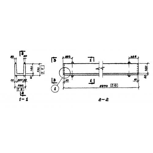
ЛП 3-60

Чертеж изделия:
Характеристики изделия:
ПараметрЗначение
длина5970 мм
ширина460 мм
высота530 мм
вес1400 кг
серия3.900-2

ЛП 3-60 Элементы прямоугольных лотков  по серии 3.900-2.