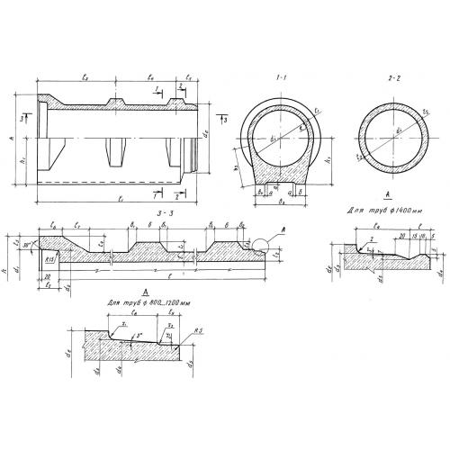
ТСПР 100.25

Чертеж изделия:
Характеристики изделия:
ПараметрЗначение
длина2670 мм
ширина1460 мм
высота1460 мм
масса3400 кг
нормативный документСерия 3.820.1-81.94

ТСПР 100.25  Труба бетонная безнапорная ребристая раструбная с подошвой, имеющая ступенчатую стыковую поверхность втулочного конца. Уплотнение стыковой поверхности таких элементов производится резиновыми кольцамиСерия 3.820.1-81.94.