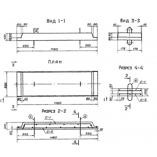
УБ-10

Чертеж изделия:
Характеристики изделия:
ПараметрЗначение
длина1160 мм
ширина350 мм
высота100 мм
масса93 кг
нормативный документСерия 3.820-11

УБ-10 Блоки распорные по Серии 3.820-11.