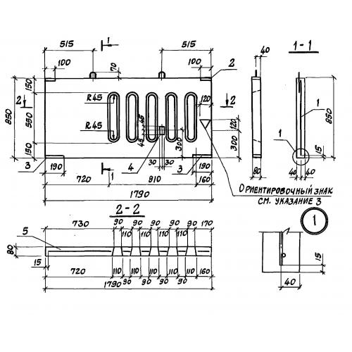
ПОГ 179.85

Чертеж изделия:
Характеристики изделия:
ПараметрЗначение
длина1790 мм
ширина80 мм
высота850 мм
вес250 кг
серия3.818.9-2

ПОГ 179.85 Панели ограждения станков, выгульных площадок и резделительных секций по серии 3.818.9-2.