СБО 3.3-1 к7-2

Чертеж изделия:
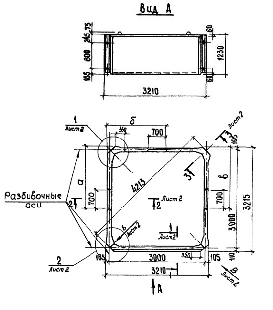
Характеристики изделия:
ПараметрЗначение
Длина3210 мм
Ширина3215 мм
Высота1230 мм
Масса4100 кг
Нормативный документСерия 3.702.1-4

СБО 3.3-1 к7-2  Силосный блок объёмный по Серии 3.702.1-4.