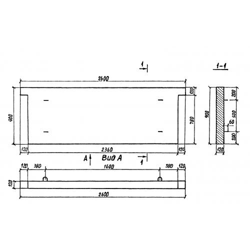
БК 0

Чертеж изделия:
Характеристики изделия:
ПараметрЗначение
длина2600 мм
ширина120 мм
высота900 мм
вес660 кг
серия3.503.1-67

БК 0 Плиты для стен по серии 3.503.1-67.