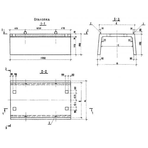
Л-2 блок лотка

Чертеж изделия:
Характеристики изделия:
ПараметрЗначение
длина1990 мм
ширина880 мм
высота680 мм
вес780 кг
серия3.503.1-66

Л-2 Блоки лотка по серии 3.503.1-66.