П 26 д

Чертеж изделия:
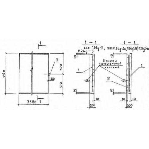
Характеристики изделия:
ПараметрЗначение
длина740 мм
ширина3380 мм
высота200 мм
масса1250 кг
нормативный документСерия 3.006.1-2/82

П 26 д Плиты перекрытия лотков  доборные Серия 3.006.1-2/82.