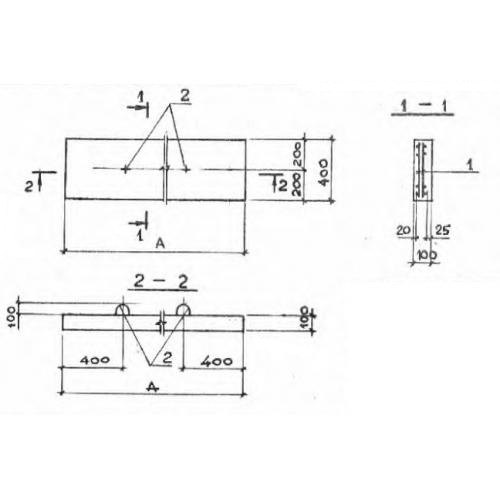
ПП 5

Чертеж изделия:
Характеристики изделия:
ПараметрЗначение
длина1700 мм
ширина400 мм
высота100 мм
масса180 кг
нормативный документСерия 3.006.1-2/82

ПП 5 Плиты перекрытия лотков  (плоские подкладки) Серия 3.006.1-2/82.