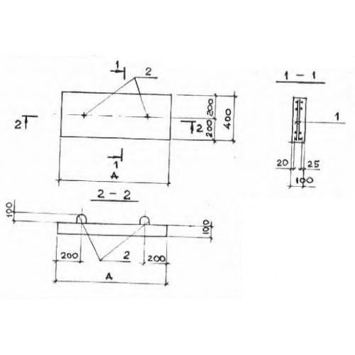
ПП 3

Чертеж изделия:
Характеристики изделия:
ПараметрЗначение
длина1000 мм
ширина400 мм
высота100 мм
вес100 кг
серия3.006-2

ПП 3 Плиты перекрытия лотков по серии 3.006-2.