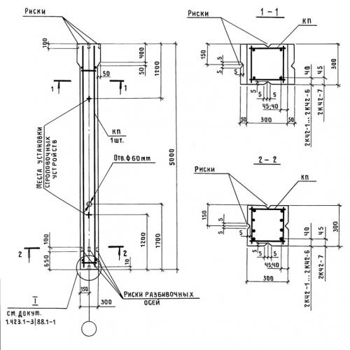
2К 42 колонны

Чертеж изделия:
Характеристики изделия:
ПараметрЗначение
длина5000 мм
ширина300 мм
высота300 мм
масса1200 кг
нормативный документСерия 1.423.1-3/88

2К 42 Колонны Серия 1.423.1-3/88.