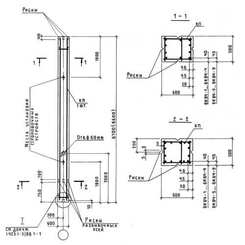
К 84 колонны

Чертеж изделия:
Характеристики изделия:
ПараметрЗначение
длина8600 мм
ширина500 мм
высота600 мм
масса6500 кг
нормативный документСерия 1.423-3

К 84  Колонны Серия 1.423-3.