К колонны

Чертеж изделия:
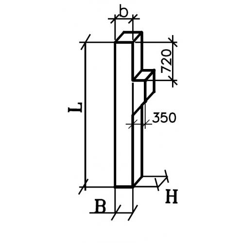
Характеристики изделия:
ПараметрЗначение
длина2520 мм
ширина400 мм
высота400 мм
масса1150 кг
нормативный документСерия 1.420-12

К  Колонны Серия 1.420-12.