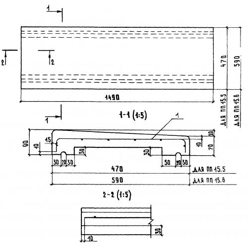
ПП 15.5

Чертеж изделия:
Характеристики изделия:
ПараметрЗначение
длина1490 мм
ширина470 мм
высота70 мм
масса108 кг
нормативный документСерия 1.238-1

ПП 15.5  Плиты парапетные Серия 1.238-1.