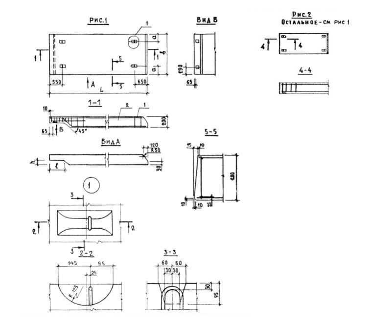
ПРТ 60.24.20
Характеристики изделия:
| Параметр | Значение |
|---|---|
| длина | 5980 мм |
| ширина | 2380 мм |
| высота | 200 мм |
| масса | 3890 кг |
| нормативный документ | Серия 1.165.1-12 |
Цена:
Рассчитать стоимостьПРТ 60.24.20 Плиты покрытия плоские для зданий с теплым чердаком Серия 1.165.1-12.