ВБ-12.3.3
Характеристики изделия:
| Параметр | Значение |
|---|---|
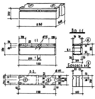
| Длина | 1180 мм |
| Ширина | 300 мм |
| Высота | 340 мм |
| Масса | 205 кг |
| Нормативный документ | Серия 1.134-1 |
Цена:
Рассчитать стоимостьВБ-12.3.3 Блоки внутренних стен горизонтальные по Серии 1.134-1.
| Параметр | Значение |
|---|---|
| Длина | 1180 мм |
| Ширина | 300 мм |
| Высота | 340 мм |
| Масса | 205 кг |
| Нормативный документ | Серия 1.134-1 |
ВБ-12.3.3 Блоки внутренних стен горизонтальные по Серии 1.134-1.