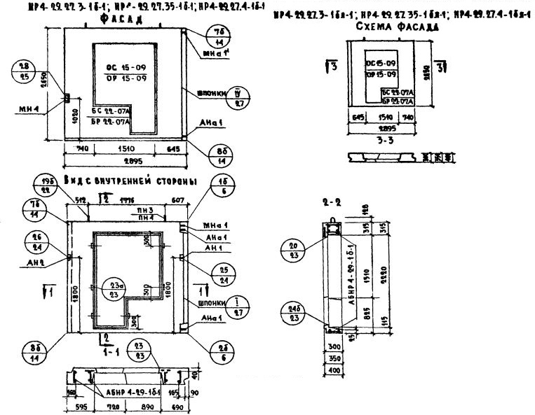
НР4-29.27.4-1б-1
Характеристики изделия:
| Параметр | Значение |
|---|---|
| Длина | 2895 мм |
| Ширина | 400 мм |
| Высота | 2650 мм |
| Масса | 2700 кг |
| Нормативный документ | Серия 1.132-1 |
Цена:
Рассчитать стоимостьНР4-29.27.4-1б-1 Наружная стеновая панель рядовая по Серии 1.132-1.
| Параметр | Значение |
|---|---|
| Длина | 2895 мм |
| Ширина | 400 мм |
| Высота | 2650 мм |
| Масса | 2700 кг |
| Нормативный документ | Серия 1.132-1 |
НР4-29.27.4-1б-1 Наружная стеновая панель рядовая по Серии 1.132-1.