ЛП 15-6

Чертеж изделия:
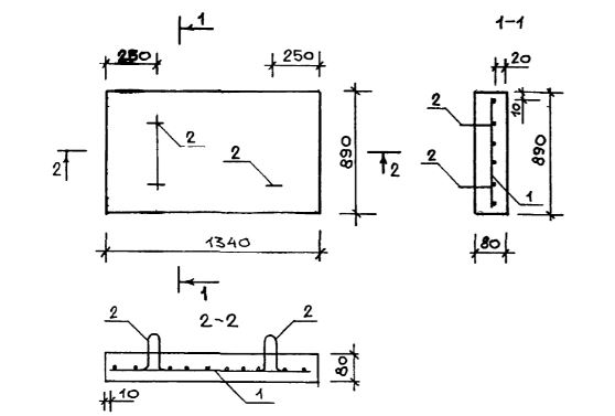
Характеристики изделия:
ПараметрЗначение
длина1340 мм
ширина890 мм
высота80 мм
масса250 кг
нормативный документСерия 1.050.9-4.93

ЛП 15-6  Площадочные плиты Серия 1.050.9-4.93.