ПСЦ 12.39.35

Чертеж изделия:
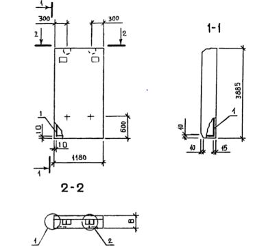
Характеристики изделия:
ПараметрЗначение
длина1180 мм
ширина3885 мм
высота350 мм
масса2130 кг
нормативный документСерия 1.020.1-3пв

ПСЦ 12.39.35  Панели стеновые цокольные Серия 1.020.1-3пв.