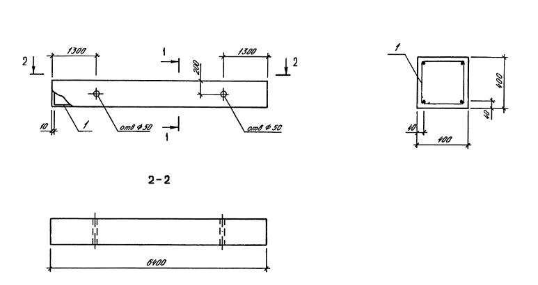
БЛО 64.4

Чертеж изделия:
Характеристики изделия:
ПараметрЗначение
длина6400 мм
ширина400 мм
высота400 мм
масса2570 кг
нормативный документСерия 1.020.1-3пв

БЛО 64.4  Балки обвязочные Серия 1.020.1-3пв.