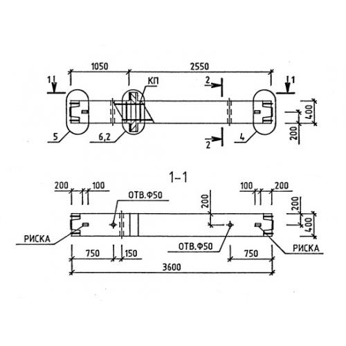
1КС 36 колонны

Чертеж изделия:
Характеристики изделия:
ПараметрЗначение
длина3600 мм
ширина400 мм
высота400 мм
масса1440 кг
нормативный документСерия 1.020-1/87

1КС 36  Колонны средние Серия 1.020-1/87.