С 11-40
Характеристики изделия:
| Параметр | Значение |
|---|---|
| длина | 11000 мм |
| ширина | 400 мм |
| высота | 400 мм |
| вес | 4350 кг |
| серия | 1.011.1-7 |
Цена:
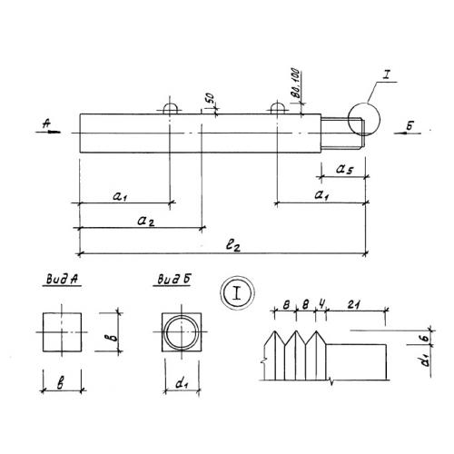
Рассчитать стоимостьС 11-40 Сваи составные верхние квадратного сплошного сечения по серии 1.011.1-7.
| Параметр | Значение |
|---|---|
| длина | 11000 мм |
| ширина | 400 мм |
| высота | 400 мм |
| вес | 4350 кг |
| серия | 1.011.1-7 |
С 11-40 Сваи составные верхние квадратного сплошного сечения по серии 1.011.1-7.
