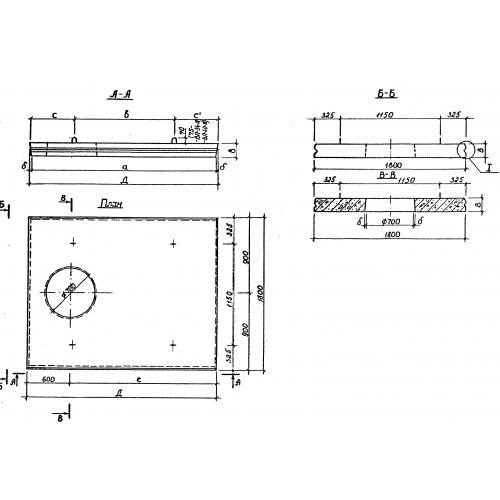
ВП 40

Чертеж изделия:
Характеристики изделия:
ПараметрЗначение
длина4040 мм
ширина1800 мм
высота320 мм
масса5350 кг
нормативный документАльбом РК 2303-86

ВП 40  Верхняя плита (плита перекрытия)  Альбом РК 2303-86.